A-level Chemistry/WJEC/Module 3/Redox
Electrochemical Cells
Electrode potentials
Consider a zinc rod immersed in a solution containing Zn2+ ions (e.g. ZnSO4):
The Zn atoms on the rod can deposit two electrons on the rod and move into solution as Zn²⁺ ions: Zn(s) ⇌ Zn2+(aq) + 2 e- This process would result in an accumulation of negative charge on the zinc rod. Alternatively, the Zn2+ ions in solution would accept two electrons from the rod and move onto the rod to become Zn atoms: Zn2+(aq) + 2 e- ⇌ Zn(s) This process would result in an accumulation of positive charge on the zinc rod.
In both cases, a potential difference is set up between the rod and the solution. This is known as an electrode potential.
A similar electrode potential is set up if a copper rod is immersed in a solution containing copper ions (e.g. CuSO4), due to the following processes: Cu2+(aq) + 2 e- ⇌ Cu(s) - reduction (rod becomes positive) Cu(s) ⇌ Cu2+(aq) + 2 e- - oxidation (rod becomes negative)
Note that a chemical reaction is not taking place - there is simply a potential difference between the rod and the solution. The potential difference will depend on the nature of the ions in solution, the concentration of the ions in solution, the type of electrode used the temperature.
Creating an emf
If two different electrodes are connected, the potential difference between the two electrodes will cause a current to flow between them. Thus an electromotive force (emf) is established and the system can generate electrical energy.
The circuit must be completed by allowing ions to flow from one solution to the other. This is achieved by means of a salt bridge - often a piece of filter paper saturated with a solution of an inert electrolyte such as KNO3(aq).
The emf can be measured using a voltmeter. Voltmeters have a high resistance so that they minimise the current they take from the main circuit.
The combination of two electrodes in this way is known as an electrochemical cell, and can be used to generate electricity. The two components which make up the cell are known as half-cells.
A typical electrochemical cell can be made by combining a zinc electrode in a solution of zinc sulfate with a copper electrode in a solution of copper sulfate.
The positive electrode is the one which most favours reduction. In this case it is the copper electrode which is positive.
The negative electrode is the one which most favours oxidation. In this case it is the zinc electrode which is negative.
Thus electrons flow from the zinc electrode to the copper electrode. Reduction thus takes place at the copper electrode: Cu2+(aq) + 2 e- → Cu(s) Oxidation thus takes place at the zinc electrode: Zn(s) → Zn2+(aq) + 2 e-
The overall cell reaction is as follows: Zn(s) + Cu2+(aq) → Zn2+(aq) + Cu(s)
The sulfate ions flow through the salt bridge from the Cu2+(aq) solution to the Zn2+(aq) solution, to complete the circuit and compensate for the reduced Cu2+ concentration and increased Zn2+ concentration. The cell reaction including spectator ions can thus be written as follows: CuSO4(aq) + Zn(s) → Cu(s) + ZnSO4(aq).
The external connection must be made of a metallic wire in order to allow electrons to flow. The salt bridge must be made of an aqueous electrolyte to allow ions to flow.
By allowing two chemical reagents to be connected electrically, but not chemically, a reaction can only take place if the electrons flow externally. The chemical energy is thus converted into electrical energy.
Designing electrochemical cells
Half-cells do not necessarily have to consist of a metal immersed in a solution of its ions. Any half-reaction can be used to create a half-cell.
If the half-reaction does not contain a metal in its elemental state, an inert electrode must be used. Platinum is generally used in this case, as it is an extremely inert metal. If a gas is involved, it must be bubbled through the solution in such a way that it is in contact with the electrode.
A few examples are shown below:
a) Fe3+(aq) + e- ⇌ Fe2+(aq) A platinum electrode is used, immersed in a solution containing both Fe2+ and Fe3+ ions:
b) Cr2O72-(aq) + 14 H+(aq) + 6 e- ⇌ 2 Cr3+(aq) + 7 H2O(l) A platinum electrode is used, immersed in a solution containing Cr2O72-, H+ and Cr3+ ions:
c) Cl2(g) + 2 e ⇌ 2 Cl-(aq)
A platinum electrode is used, immersed in a solution containing Cl- ions. Chlorine gas is bubbled through the solution, in contact with the electrode:
d) 2 H+(aq) + 2 e- ⇌ H2(g) A platinum electrode is used, immersed in a solution containing H+ ions. Hydrogen gas is bubbled through the solution, in contact with the electrode:
In addition to making electricity, half-cells provide important information on the relative ability of a half-reaction to undergo oxidation or reduction. The more positive the electrode, the greater the tendency to undergo reduction, and the more negative the electrode, the greater the tendency to undergo oxidation.
Standard conditions
The electrode potential depends on the conditions used, including temperature, pressure and concentration of reactants.
It is therefore necessary to specify the conditions used when measuring electrode potentials. These conditions are normally set at a temperature of 298 K, a pressure of 1 atm and with all species in solution having a concentration of 1.0 mol dm-3. Electrode potentials measured under these conditions are known as standard electrode potentials. They are denoted by the symbol E⦵.
It is possible to predict how the electrode potential will vary if non-standard conditions are used by using Le Chatelier’s principle.
If the oxidising agent has a concentration greater than 1.0 mol dm-3, it is more likely to favour reduction and the electrode potential will be more positive than the standard electrode potential. If it has a concentration of less than 1.0 mol dm-3, it is more likely to favour oxidation and the electrode potential will be more negative than the standard electrode potential. For reducing agents, the reverse is true.
E.g.: Fe2+(aq) + 2 e- ⇌ Fe(s) E⦵ = -0.44 V If [Fe2+] = 0.1 mol dm-3 the electrode potential = -0.50 V The concentration is lower than standard so reduction is less likely to take place, and hence the electrode potential is more negative than expected.
If the temperature is higher than 298 K, then the system will move in the endothermic direction and the electrode potential will change accordingly.
If the pressure is greater than 1 atm, then the system will move to decrease the pressure and the electrode potential will change accordingly.
In general, a change which favours the reduction direction will make the electrode potential more positive, and a change which favours the oxidation direction will make the electrode potential more negative.
Reference electrodes
The emf of electrochemical cells is easy to measure, but the individual electrode potentials themselves cannot actually be measured at all; it is only possible to measure the potential difference between two electrodes. Even if another electrode were inserted into the solution, it would set up its own electrode potential and it would only be possible to measure the difference between the two electrodes.
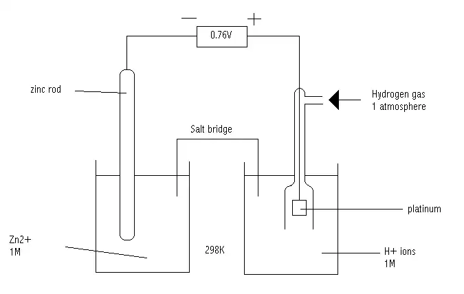
It is therefore only possible to assign a value to a half-cell if one half-cell is arbitrarily allocated a value and all other electrodes are measured relative to it. An electrode used for this purpose is known as a reference electrode. The electrode conventionally used for this purpose is the standard hydrogen electrode.
The gas pressure is fixed at 1 atm, the temperature is 25 °C and the H+ ions have a concentration of 1.0 mol dm-3.
This electrode is arbitrarily assigned a value of 0.00 V.
Using this electrode, it is possible to assign an electrode potential to all other half-cells.
Voltmeters measure potential on the right-hand side of the cell and subtract it from the potential on the left-hand side of the cell:
emf = ERHS - ELHS
If the standard hydrogen electrode is placed on the left-hand side of the voltmeter, therefore, the ELHS will be zero and the emf of the cell will be the electrode potential on the right-hand electrode:
E.g. if the standard Zn2+(aq) + 2 e- ⇌ Zn(s) electrode is connected to the standard hydrogen electrode and the standard hydrogen electrode is placed on the left, the emf of the cell is -0.76 V. The Zn2+(aq) + 2 e- ⇌ Zn(s) half-cell thus has an electrode potential of -0.76 V.
E.g. if the Cu2+(aq) + 2 e- ⇌ Cu(s) electrode is connected to the standard hydrogen electrode and the standard hydrogen electrode is placed on the left, the emf of the cell is +0.34 V. The Cu2+(aq) + 2 e- ⇌ Cu(s) half-cell thus has an electrode potential of +0.34 V.
The standard electrode potential of a half-reaction can be defined as follows:
"The standard electrode potential of a half-reaction is the emf of a cell where the left-hand electrode is the standard hydrogen electrode and the right-hand electrode is the standard electrode in question".
The equation emf = ERHS - ELHS can be applied to electrochemical cells in two ways:
a) If the RHS and LHS electrode are specified, and the emf of the cell measured accordingly, then if the E⦵ of one electrode is known then the other can be deduced.
E.g. If the standard copper electrode (+0.34 V) is placed on the left, and the standard silver electrode is placed on the right, the emf of the cell is +0.46 V. Calculate the standard electrode potential at the silver electrode.
emf = ERHS - ELHS +0.46 = E - (+0.34 V) E = 0.46 + 0.34 = +0.80 V
b) If both SEP's are known, the emf of the cell formed can be calculated if the right-hand electrode and left-hand electrode are specified.
E.g. If RHS = silver electrode (+0.80V) and LHS is copper electrode (+0.34 V), then emf = +0.80 - 0.34 = +0.46 V
In fact, the hydrogen electrode is rarely used in practice for a number of reasons: - the electrode reaction is slow - the electrodes are not easily portable - it is difficult to maintain a constant pressure
Once one standard electrode potential has been measured relative to the standard hydrogen electrode, it is not necessary to use the standard hydrogen electrode again. Any electrode whose electrode potential is known could be used to measure standard electrode potentials. Such electrodes are known as secondary standard electrodes. A useful example is the calomel electrode.
Conventional Representation of Cells
As it is cumbersome and time-consuming to draw out every electrochemical cell in full, a system of notation is used which describes the cell in full, but does not require it to be drawn.
Half-cells are written as follows:
- the electrode is placed on one side of a vertical line. - the species in solution, whether solid, liquid, aqueous or gaseous, are placed together on the other side of the vertical line. - if there is more than one species in solution, and the species are on different sides of the half-equation, the different species are separated by a comma.
E.g. Zn2+(aq) + 2 e- ⇌ Zn(s)
- Zn(s) | Zn2+(aq)
E.g. Fe3+(aq) + e- ⇌ Fe2+(aq)
- Pt(s) | Fe2+(aq), Fe3+(aq)
E.g. Cl2(g) + 2 e- ⇌ 2 Cl-(aq)
- Pt(s) , Cl2(g) | Cl-(aq)
When two half-cells are connected to form a full electrochemical cell, the cell is written as follows:
- the negative electrode (the anode, where oxidation occurs) is usually placed on the left
- the two half-cells are placed on either side of two vertical broken lines (which represent the salt bridge)
- the electrodes are placed on the far left and far right, and the other species are placed adjacent to the vertical broken lines in the centre
- on the left (oxidation), the lower oxidation state species is written first, and the higher oxidation state species is written second.
- on the right (reduction) the higher oxidation state species is written first, and the lower oxidation state species is written second.
anode | reduced reactant | oxidised product ¦¦ oxidised reactant | reduced product | cathode
Sometimes, the the reduced reactant/product is a metal which means it forms the electrode for that side of the cell.
E.g. Cell reaction = Zn(s) + 2 H+(aq) → Zn2+(aq) + H2(g)
- Zn(s) | Zn2+(aq) ¦¦ H+(aq) | H2(g), Pt(s)
It is common to write the hydrogen electrode on the left, even when this implies that the cell potential is negative:
- H2(g), Pt(s) | H+(aq) ¦¦ Zn2+(aq) | Zn(s)
E.g. Cell Reaction = Cu2+(aq) + H2(g) → Cu(s) + 2 H+(aq)
- H2(g), Pt(s) | H+(aq) ¦¦ Cu2+(aq) | Cu(s)
E.g. Cell reaction = Ag+(aq) + Fe2+(aq) → Ag(s) + Fe3+(aq)
- Pt(s) | Fe2+(aq), Fe3+(aq) ¦¦ Ag+(aq) | Ag(s)
This method of representing electrochemical cells is known as the conventional representation of a cell, and it is widely used.
One advantage of this notation is that it is easy to see the reduction and oxidation processes taking place.
On the LHS (oxidation): electrode → reduced species → oxidised species On the RHS (reduction): oxidised species → reduced species → electrode
The Electrochemical Series
If all of the standard electrode potentials are arranged in order, usually starting with the most negative, a series is set up which clearly shows the relative tendency of all the half-reactions to undergo oxidation and reduction. This series is known as the electrochemical series, and a reduced form of this series is shown as follows:
| Reactants | Products | E⦵ (V) |
|---|---|---|
| Li+(aq) + e- | ⇌ Li(s) | -3.03 |
| K+(aq) + e- | ⇌ K(s) | -2.92 |
| Ca2+(aq) + 2 e- | ⇌ Ca(s) | -2.87 |
| Na+(aq) + e- | ⇌ Na(s) | -2.71 |
| Mg2+(aq) + 2 e- | ⇌ Mg(s) | -2.37 |
| Be2+(aq) + 2 e- | ⇌ Be(s) | -1.85 |
| Al3+(aq) + 3 e- | ⇌ Al(s) | -1.66 |
| Mn2+(aq) + 2 e- | ⇌ Mn(s) | -1.19 |
| V2+(aq) + 2 e- | ⇌ V(s) | -1.18 |
| Zn2+(aq) + 2 e- | ⇌ Zn(s) | -0.76 |
| Cr3+(aq) + 3 e- | ⇌ Cr(s) | -0.74 |
| Fe2+(aq) + 2 e- | ⇌ Fe(s) | -0.44 |
| 2 H2O(l) + 2 e- | ⇌ H2(g) + 2 OH-(aq) | -0.42 |
| PbSO4(s) + 2 e- | ⇌ Pb(s) + SO42-(aq) | -0.36 |
| Co2+(aq) + 2 e- | ⇌ Co(s) | -0.28 |
| V3+(aq) + e- | ⇌ V2+(aq) | -0.26 |
| Ni2+(aq) + 2 e- | ⇌ Ni(s) | -0.25 |
| Sn2+(aq) + 2 e- | ⇌ Sn(s) | -0.14 |
| CrO42-(aq) + 4 H2O(l) + 3 e- | ⇌ Cr(OH)3(s) + 5 OH-(aq) | -0.13 |
| Pb2+(aq) + 2 e- | → Pb(s) | -0.13 |
| CO2(g) + 2 H+(aq) + 2 e- | ⇌ CO(g) + H2O(l) | -0.10 |
| 2 H+(aq) + 2 e- | ⇌ H2(g) | 0.00 |
| S4O62-(aq) + 2 e- | ⇌ 2 S2O32-(aq) | +0.09 |
| Cu2+(aq) + e- | ⇌ Cu+(aq) | +0.15 |
| SO42-(aq) + 4 H+(aq) + 2 e- | ⇌ H2SO3(aq) + 2 H2O(l) | +0.17 |
| Cu2+(aq) + 2 e- | ⇌ Cu(s) | +0.34 |
| VO2+(aq) + 2 H+(aq) + e- | ⇌ V3+(aq) + H2O(l) | +0.34 |
| Cu+(aq) + e- | ⇌ Cu(s) | +0.52 |
| I2(aq) + 2 e- | ⇌ 2 I-(aq) | +0.54 |
| O2(g) + 2 H+(aq) + 2 e- | → H2O2(aq) | +0.68 |
| Fe3+(aq) + e- | ⇌ Fe2+(aq) | +0.77 |
| Ag+(aq) + e- | ⇌ Ag(s) | +0.80 |
| NO3-(aq) + 2 H+(aq) + e- | ⇌ NO2(g) + H2O(l) | +0.81 |
| VO2+(aq) + 2 H+(aq) + e- | ⇌ VO2+(aq) + H2O(l) | +1.02 |
| Br2(aq) + 2 e- | ⇌ 2 Br-(aq) | +1.09 |
| 2 IO3-(aq) + 12 H+(aq) + 10 e- | ⇌ I2(aq) + 6 H2O(l) | +1.19 |
| O2(g) + 4 H+(aq) + 4 e- | ⇌ 2 H2O(l) | +1.23 |
| MnO2(s) + 4 H+(aq) + 2 e- | ⇌ Mn2+(aq) + 2 H2O(l) | +1.23 |
| Cr2O72-(aq) + 14 H+(aq) + 6 e- | ⇌ 2 Cr3+(aq) + 7 H2O(l) | +1.33 |
| Cl2(g) + 2 e- | ⇌ 2 Cl-(aq) | +1.36 |
| PbO2(s) + 4 H+(aq) + 2 e- | ⇌ Pb2+(aq) + 2 H2O(l) | +1.46 |
| MnO4-(aq) + 8 H+(aq) + 5 e- | ⇌ Mn2+(aq) + 4 H2O(l) | +1.51 |
| PbO2(s) + 4 H+(aq) + SO42-(aq)- | ⇌ PbSO4(s) + 2 H2O(l) | +1.69 |
| MnO4-(aq) + 4 H+(aq) + 3 e- | ⇌ MnO2(s) + 2 H2O(l) | +1.70 |
| H2O2(aq) + 2 H+(aq) + 2 e- | ⇌ 2 H2O(l) | +1.77 |
| Ag2+(aq) + e- | ⇌ Ag+(aq) | +1.98 |
| F2(g) + 2 e- | ⇌ 2 F-(aq) | +2.87 |
Note that the half-equations are written as reduction processes. This is in accordance with the IUPAC convention for writing half-equations for electrode reactions.
The electrochemical series has a number of useful features:
- All the species on the left-hand side of the series can accept electrons and be reduced to a lower oxidation state. They are therefore all oxidising agents. All the species on the right-hand side of the series can give up electrons and be oxidised to a higher oxidation state, and are thus reducing agents.
- The higher a half-equation is located in the electrochemical series, the more negative the standard electrode potential and the greater the tendency to undergo oxidation. The reducing agents at the top of the series are thus very strong, and the oxidising agents very weak. The lower down a half-equation is located in the electrochemical series, the more positive the standard electrode potential and the greater the tendency to undergo reduction. The oxidising agents at the bottom of the series are thus very strong, and the reducing agents very weak.
It can therefore be deduced that: i) oxidising agents increase in strength on descending the electrochemical series ii) reducing agents decrease in strength on descending the electrochemical series
- If two half-cells are connected, the half-cell higher up the electrochemical series (i.e. more negative) will undergo oxidation and the half-cell lower down the electrochemical series (i.e. more positive) will undergo reduction.
- Many of these electrode potentials cannot be measured experimentally, since one of the species involved reacts with water. In such cases the standard electrode potentials are calculated, often using a complex energy cycle.
Spontaneous Reactions
If two half-cells are connected electrically and a current allowed to flow, the more positive electrode will undergo reduction and the more negative electrode will undergo oxidation. The oxidising agent at the more positive electrode is reduced, and thus oxidises the reducing agent at the more negative electrode.
E.g. If the zinc electrode and the copper electrode are connected, the following reaction takes place: Zn(s) + Cu2+(aq) → Zn2+(aq) + Cu(s)
It can be assumed that if a reaction occurs electrochemically, it will also occur chemically. Thus if zinc metal is added to a solution of copper (II) sulfate, the above reaction will occur. If copper metal is added to a solution of zinc (II) sulfate, however, no reaction will occur. If any reaction did occur, it would have to be Cu(s) + Zn2+(aq) → Cu2+(aq) + Zn(s)
This reaction is not the one which takes place if the two half-cells are connected, and therefore cannot be expected to take place in other circumstances.
Oxidising agents and reducing agents
Since the more positive electrodes are at the bottom of the electrochemical series, the oxidising agents in these systems will oxidise any reducing agent which lies above it in the electrochemical series.
E.g. H+(aq) will oxidise Pb(s) to Pb2+(aq), and any other metal above it, but will not oxidise Cu(s) to Cu2+(aq) or any metal below it.
- Pb(s) + 2 H+(aq) → Pb2+(aq) + H2(g)
Acids such as nitric acid, however, which contains the more powerful oxidising agent NO3-(aq), will oxidise any reducing agent with a standard electrode potential more negative than +0.81 V, e.g. Cu(s)
- Cu(s) + 4 H+(aq) + 2 NO3-(aq) → Cu2+(aq) + 2 NO2(g) + 2 H2O(l)
Reducing agents will reduce any oxidising agent which lies below it in the electrochemical series.
E.g. Fe2+(aq) will reduce VO2+(aq) to VO2+(aq), but not
- VO2+(aq) to V3+(aq) or
- V3+(aq) to V2+(aq)
- VO2+(aq) + 2 H+(aq) + Fe2+(aq) → VO2+(aq) + H2O(l) + Fe3+(aq)
Cell potential
A more systematic method of predicting whether or not a reaction will occur is to construct two half-equations, one reduction and one oxidation, for the reaction trying to take place. Since reduction occurs at the more positive electrode, consider the reduction process to be the right-hand electrode and the oxidation process to be the left-hand electrode. The cell potential for the reaction is given by ERHS - ELHS, or Ereduction - Eoxidation. If the cell potential is positive, the reaction will occur. If the cell potential is negative, the reaction will not occur. This method can be used to predict whether or not any given redox reaction will take place.
Displacement reactions
E.g. Predict whether or not zinc metal will displace iron from a solution of FeSO4(aq).
- The reaction under consideration is Zn(s) + Fe2+(aq) ⇌ Zn2+(aq) + Fe(s)
- Reduction: Fe2+(aq) + 2 e- ⇌ Fe(s) (E⦵ = -0.44 V)
- Oxidation: Zn(s) ⇌ Zn2+(aq) + 2 e- (E⦵ = -0.76 V)
- ECELL = -0.44 -(-0.76) = +0.32 V
So the reaction will occur.
E.g. Predict whether or not zinc metal will displace manganese from a solution of MnSO4(aq)
- The reaction under consideration is Zn(s) + Mn2+(aq) ⇌ Zn2+(aq) + Mn(s)
- Reduction: Mn2+(aq) + 2 e- ⇌ Mn(s) (E⦵ = -1.19 V)
- Oxidation: Zn(s) ⇌ Zn2+(aq) + 2 e- (E⦵ = -0.76 V)
- ECELL = -1.19 -(0.76) = -0.43 V
So the reaction will not occur.
E.g. Predict whether or not bromine will displace iodine from a solution of KI(aq)
- The reaction under consideration is Br2(aq) + 2 I-(aq) ⇌ 2 Br-(aq) + I2(aq)
- Reduction: Br2(aq) + 2 e- ⇌ 2 Br-(aq) (E⦵ = +1.09 V)
- Oxidation: 2 I-(aq) ⇌ I2(aq) + 2 e- (E⦵ = +0.54 V)
- ECELL = 1.09 - 0.54 = +0.55 V
So the reaction will occur.
E.g. Predict whether or not bromine will displace chlorine from a solution of NaCl(aq) The reaction under consideration is Br2(aq) + 2 Cl-(aq) ⇌ 2 Br-(aq) + Cl2(aq) Reduction: Br2(aq) + 2 e- ⇌ 2 Br-(aq) (E⦵ = +1.09 V) Oxidation: 2 Cl-(aq) ⇌ Cl2(aq) + 2 e- (E⦵ = +1.36 V) ECELL = 1.09 - 1.36 = -0.27 V So the reaction will not occur.
Disproportionation
Standard electrode potentials can be used to predict whether or not a species will disproportionate.
E.g. Predict whether or not Ag+ ions will disproportionate in aqueous solution. Ag+ might be expected to disproportionate according to the following half-reactions:
- Ag+(aq) + e- ⇌ Ag(s) reduction, E⦵ = + 0.80 V
- Ag+(aq) ⇌ Ag2+(aq) + e- oxidation, E⦵ = + 1.98 V
- ECELL = 0.80 - 1.98 = -1.18 V
Therefore Ag+ will not disproportionate
E.g. Predict whether or not H2O2 will disproportionate in aqueous solution. H2O2 might be expected to disproportionate according to the following half-reactions:
- H2O2(aq) + 2 H+(aq) + 2 e- ⇌ 2 H2O(l) reduction, E⦵ = +1.77 V
- H2O2(aq) ⇌ 2 H+(aq) + O2(g) + 2 e- oxidation, E⦵ = +0.68 V
- ECELL = 1.77 - 0.68 = +1.09 V
Therefore H2O2(aq) will disproportionate:
- 2 H2O2(aq) + 2 H+(aq) → 2 H+(aq) + O2(g) + 2 H2O(l)
- 2 H2O2(aq) → 2 H2O(l) + O2(g)
Non-standard conditions
Though cell potential is often a correct prediction of whether or not a given reaction will take place, it does strictly apply only to standard conditions. If the solutions used are either very concentrated or very dilute, then the electrode potentials will not be the standard electrode potentials and the sign of the cell potential may be different from that predicted under standard conditions. Thus many reactions which are not expected to occur do in fact take place if the solutions are hot or concentrated, and many reactions which are expected to occur do not take place if the solutions are too dilute.
E.g. The reaction between manganese dioxide and hydrochloric acid. MnO2(s) + 4 H+(aq) + 2 Cl-(aq) → Mn2+(aq) + Cl2(g) + 2 H2O(l)
- Reduction: MnO2(s) + 4 H+(aq) + 2 e- ⇌ Mn2+(aq) + 2 H2O(l) E⦵ = +1.23 V
- Oxidation: 2 Cl-(aq) → Cl2(g) + 2 e- E⦵ = +1.36 V
- ECELL = ERHS - ELHS = -0.13 V
This reaction does not occur under standard conditions. However if hot concentrated HCl is used, the high Cl- concentration favours oxidation, the electrode potential becomes less positive and ECELL thus becomes positive and the reaction occurs.
E.g. The reaction between potassium dichromate (VI) and hydrochloric acid. Cr2O72-(aq) + 14 H+(aq) + 6 Cl-(aq) → 2 Cr3+(aq) + 3 Cl2(g) + 7 H2O(l)
- Reduction: Cr2O72-(aq) + 14 H+(aq) + 6 e- ⇌ 2 Cr3+(aq) + 7 H2O(l) E⦵ = +1.33 V
- Oxidation: 2 Cl-(aq) ⇌ Cl2(g) + 2 e- E⦵ = +1.36 V
- ECELL = ERHS - ELHS = -0.03 V
This reaction does not occur under standard conditions. However if solid potassium dichromate is dissolved in hydrochloric acid, the high Cr2O72- concentration favours reduction and makes the electrode potential more positive. Thus ECELL becomes positive and the reaction occurs.
Kinetic stability
Cell potentials can be used effectively to predict whether or not a given reaction will take place, but they give no indication as to how fast a reaction will proceed. In many cases ECELL is positive but no apparent reaction occurs. This is because the reactants are kinetically stable; the reaction has a high activation energy so is very slow at room temperature. There are many examples of this in inorganic chemistry:
E.g. Mg(s) + 2 H2O(l) → Mg2+(aq) + 2 OH-(aq) + H2(g) ERHS = -0.42 V, ELHS = -2.38 V so ECELL = ERHS - ELHS = +1.96 V So a reaction is expected but no reaction takes place. This is because the activation energy is too high (magnesium will react with steam and slowly with hot water).
Thus if a reaction is expected to take place but is found not to, there are two possible reasons:
- the solutions are too dilute (i.e. conditions are non-standard)
- the reaction is very slow (i.e. reactants are kinetically stable)
If a reaction is not expected to take place but does take place, then it is because the conditions are non-standard (i.e. the solutions are concentrated).