Circuit Theory/1Initially Excited
Circuits are used to charge capacitors and inductors. Then the inductor/capacitor is switched out of the charging circuit and into the discharging circuit. There are three concepts:
- charging circuit ... assume on a long time if time on not specified ... assume steady state so capacitors are opens and inductors are shorts
- switching circuit (different for capacitors and inductors)
- discharging circuit ... assume initially capacitors are shorts and inductors are opens
There are two circuits to analyse: charging and discharging:
- Charging circuit ... Assume initial conditions zero, find steady state (particular) solution ... these become the initial conditions to the discharging circuit.
- Discharging circuit find the (homogeneous solution).
Solving the discharging circuit has these steps:
- assume the solution is an exponential
- find an exponential solution
- use the initial conditions and final value conditions to find the constants.
- If an exponential solution can be found (i.e. there is a real part), then the assumption was valid.
Capacitors
-
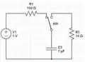
Capacitor charging and discharging circuit separated by a switch -
Equivalent charging circuit -
Most switches are BBM (break before make) so the capacitor is an open while the single pole is being thrown between the two poles. Super capacitors store lots of energy, charge up very fast, discharge very fast and could replace batteries. -
Equivalent discharging circuit
Charge Analysis
Charge Analysis is steady state analysis. Assume the circuit has been on a long time. The capacitor has had a long time to charge up.
What is different is that instead of a sinusoidal source, there is a DC voltage source. There is going to be a DC steady state voltage across the capacitor.
A capacitor looks like an open when fully charged, so the full source voltage is going to be across the capacitor. So in this case the initial voltage across the capacitor is 1 volt.
Discharge Analysis

A trivial mesh or loop analysis (both result in the same equation) would be:
From the capacitor terminal relationship:
So substituting:
Of course, after a long time, the capacitor discharges, the resistor dissipates all the energy and both current and voltage everywhere will be zero. But what is the equation in the time domain that describes how the voltage and current go to zero?
Notice that the current is going down while charging, but switches to going up when discharging. This can be instantaneous.
finding time constant
The general technique is to assume this form:
Substituting into the above differential equation:
Dividing through by A and the exponential, have:
Solving for tau:
finding the constants
So the formula for voltage across the capacitor is now:
This includes the steady state particular solution of 0 and the constant C that comes from solving a differential equation.
The initial voltage across the capacitor is +1 volt at t=0+. This means that:
After a long period of time, the V_c(t) = 0. This helps us find find C:
So C = 0 and A = 1 and:
finding the current

Vc=-Vr or could plug into the capacitor terminal relation
Thus for this circuit:
And:
Interpreting the results
Vc is in the polarity indicated. VR is opposite the polarity drawn. The current is going in the opposite direction drawn, which makes sense if the capacitor is acting like a voltage source and dumping it's energy into the resistor. Both are going to be essentially zero after 5 time constants which is 50 μs.
The homogeneous solution was easy to find because a DC source was used to charge the circuit. The particular solution of the discharge circuit was 0 because there was no forcing function.
Inductors
-
This circuit shows an inductor sitting between a charging circuit and discharging circuit. Because most switches are BBM, a push button was added to short the inductor before the SPDT switch is thrown. Both switches could be replaced by a single SPDT MBB switch. However simulation software typically just has BBM switches. -
The equivalent inductor charging circuit -
The equivalent circuit after the push button switch is pressed, but before the SPDT BBM switch is thrown. -
The equivalent circuit after the SPDT BBM switch is thrown while the push button switch maintains contact. Superconductors can be energy storage devices just like super capacitors. Current moves at the speed of light through a circular wire that acts like a continuous inductor. -
The equivalent inductor discharging circuit after the push button switch is released.
Charge Analysis

Charge Analysis is steady state analysis. Assume the circuit has been on a long time. The inductor has had a long time to build up its magnetic fields.
What is different is that instead of a sinusoidal source, there is a DC current source. There is going to be a DC steady state current through the inductor.
An inductor looks like a short when fully charged, so the full source current is going through the inductor. So in this case the initial current is 1 amp.
Shorted source and inductor Analysis


Shorting an inductor and current source by pushing the button of SW1 is safe. (It is dangerous to open wires to an inductor or current source). With ideal components, there will be no current through the short. However current through the inductor remains the same and the inductor remains charged up.
Shorted inductor energy storage
The instant the SPDT switch cuts out the current source, the inductor's current appears in the short. The inductor and shorting wire do not store energy very long (unless frozen because the wire acts like a resistor).
Discharge Analysis
Immediately after SW2 has completed moving the throw over to the second pole and the push button switch is released, the current of 1amp still flows through the inductor. A voltage instantly appears across the inductor and resistor. A trivial mesh or loop analysis (both result in the same equation) would be:
Looking at the circuit markup, the current and voltage don't have the positive sign convention relationship so the inductor's terminal relationship has a negative sign:
So:
Of course, after a long time, the inductor discharges, the resistor dissipates all the energy and both current and voltage everywhere will be zero. But what is the equation in the time domain that describes how the voltage and current go to zero?
Notice that the voltage is positive on top of the inductor but switches polarity when discharging. This can be instantaneous.
finding time constant
The general technique is to assume this form:
Substituting into the above differential equation:
Dividing through by A and then evaluating the derivative, have:
Dividing through by the exponential:
Solving for tau:
finding the constants
So the formula for current now is:
The steady state particular solution is 0, and the constant C comes from solving the differential equation.
The initial current is 1 amp at t=0+. This means that:
After a long time, there is nothing going on in the circuit so:
So A=1 and C=0 thus:
finding the voltage across the Inductor/Resistor
VL=Vr or could plug into the inductor terminal relation
of plugging into the terminal relation:
So in summary:
Interpreting the results
Maintaining the current and magnetic field energy of an inductor requires shorting it during the switching between circuits. This would be just as simple as switching a capacitor, but a different type of switch is required: ... a make before break switch .. so that two circuits are connected simultaneously.
The discharge circuit was marked up with the final directions and polarity of everything. But the terminal relationship for the inductor had to have a negative sign in it because the voltage and current directions did not follow the positive sign convention.
Again, the homogeneous solution was easy to find because a DC source was used to charge the circuit. The particular solution of the discharge circuit was 0 because there was no forcing function.