Open Standards/Multipurpose AC-Battery/Logic implementation examples

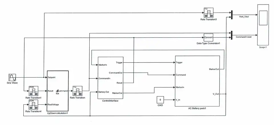
Here you can see the result of a Simulink simulation of a multipurpose AC battery pack, generating a sin wave:

The upper curve shows desired and actual voltage, the lower shows the commands. 0 = idle, 1 = one up, 2 = one negative up, 3 = down.


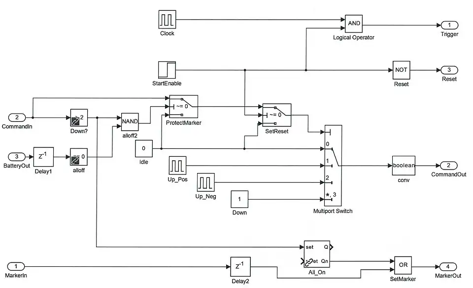
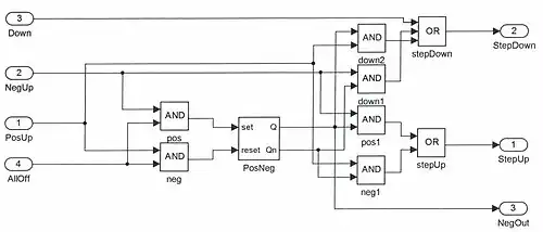
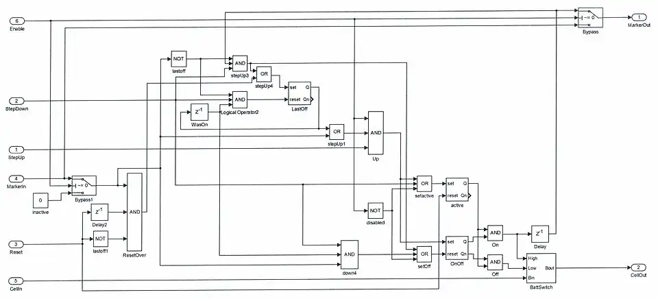
This implementation examples show sheets of a running Simulink demo. Here you can see one (incomplete) test implementation consisting of:


- the system overview


- the ControlInterface


- one complete multipurpose AC battery pack (consising of 4 rows&polarity switches, 6 switch cells each)


- one of four switch groups with decoder, polarity switch and 6 switch cells


- Decoder for retrieving PosUp, NegUp, Down, Idle and Reset command


- Logic for positive or negative output voltage (with polarity change protection if not all cells are switched off)


- Logic of every switch cell (p.e. control of a half bridge)


The control algorithm is a simple integrator in software. Here is the matlab function code: