Practical Electronics/Amplifiers/Common gate
<
Practical Electronics
|
Amplifiers
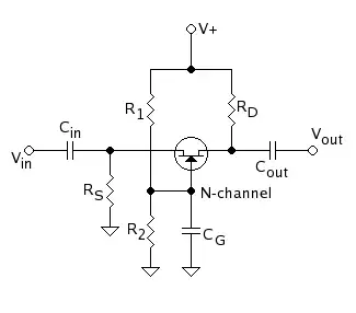
Common Gate Amplifier