SH-SY5Y
SH-SY5Y is a human derived cell line used in scientific research. The original cell line, called SK-N-SH, from which it was subcloned was isolated from a bone marrow biopsy taken from a four-year-old female with neuroblastoma. SH-SY5Y cells are often used as in vitro models of neuronal function and differentiation. They are adrenergic in phenotype but also express dopaminergic markers and, as such, have been used to study Parkinson's disease, neurogenesis, and other characteristics of brain cells.
History
SH-SY5Y was cloned from a bone marrow biopsy-derived line called SK-N-SH by the laboratory of June Biedler and first reported in 1973.[1] A neuroblast-like subclone of SK-N-SH, named SH-SY, was subcloned as SH-SY5, which was subcloned a third time to produce the SH-SY5Y line, first described in 1978.[2] The cloning process involved the selection of individual cells or clusters expressing neuron-like characteristics. The SH-SY5Y line is genetically female with two X and no Y chromosome, as expected given the origin from a four-year-old female.
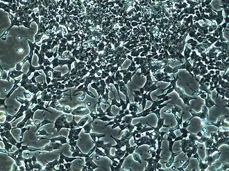
Morphology
The cells typically grow in tissue culture in two distinct ways. Some grow into clumps of cells which float in the media, while others form clumps which stick to the dish. SH-SY5Y cells can spontaneously interconvert between two phenotypes in vitro, the neuroblast-like cells and the Epithelial like cells, although the mechanisms underlying this process are not understood.[3] However, the cell line is appreciated to be N-type (neuronal), given its morphology and the ability to differentiate the cells into along the neuronal lineage (in contrast to the S-type SH-EP subcloned cell line, also derived from SK-N-SH).[4] Cells with short spiny neurite-like processes migrate out from these adherent clumps. SH-SY5Y cells possess an abnormal chromosome 1, where there is an additional copy of a 1q segment and is referred to trisomy 1q. SH-SY5Y cells are known to be dopamine beta hydroxylase active, acetylcholinergic, glutamatergic and adenosinergic. The cells have very different growth phases, outlined in the surrounding pictures. The cells both propagate via mitosis and differentiate by extending neurites to the surrounding area. While dividing, the aggregated cells can look so different from the differentiated cells following the K'annul-index tumor cellularity (TNF, for Tumor Necrosis Factor), that new scientists often mistake one or the other for contamination. The dividing cells can form clusters of cells which are reminders of their cancerous nature.

Differentiation
Certain treatments such as retinoic acid, BDNF, or TPA can force the cells to dendrify and differentiate. Morphological differences between undifferentiated and differentiated states are distinct. Undifferentiated cells exhibit a densely grown and proliferative morphology with high nuclear density due to compact growth, while differentiated cells display a characteristically dispersed morphology with well-developed neurites and smaller cell bodies.[5] Moreover, induction by retinoic acid results in inhibition of cell growth and enhanced production of noradrenaline from SH-SY5Y cells [6][7]

Media and Cultivation
The most common growing cocktail used is a 1:1 mixture of DMEM and Ham's F12 medium and 10% supplemental fetal bovine serum. The DMEM usually contains 3.7 g/L sodium bicarbonate, 2 mM L-Glutamine, 1 mM sodium pyruvate and 0.1 mM nonessential amino acids.[8] The cells are always grown at 37 degrees Celsius with 95% air and 5% carbon dioxide. It is advised to cultivate the cells in flasks that are coated for cell culture adhesion, this will aid in the differentiation and dendrification of the neuroblastoma. In general the cells are quite robust and will grow in most widely used tissue culture media. However, it has been recently established that DMEM is superior to DMEM:F12 for propagation of SH-SY5Y.[9]
The doubling time of SH-SY5Y cells during the exponential phase is 67.3 h ± 5.8 h. The average generation time (G) was 4.23 ± 0.84 d, the division rate per cell unit (r) was 0.25 ± 0.05, and the multiplication factor (V) was 3.49 ± 1.21. SH-SY5Y cells show growth-related parameters that were typical or even superior to many described immortalized tumor-derived cell lines. The proliferation capacity is stable over time and also beyond passage 10.[10]

SH-SY5Y has a dopamine-β-hydroxylase activity and can convert dopamine to norepinephrine. It will also form tumors in nude mice in around 3–4 weeks. The loss of neuronal characteristics has been described with increasing passage numbers. Therefore, it is recommended not to be used after passage 20 or verify specific characteristics such as noradrenaline uptake or neuronal tumor markers.
References
- ^ Biedler JL, Helson L, Spengler BA (November 1973). "Morphology and growth, tumorigenicity, and cytogenetics of human neuroblastoma cells in continuous culture". Cancer Res. 33 (11): 2643–52. PMID 4748425.
- ^ Biedler JL, Roffler-Tarlov S, Schachner M, Freedman LS (November 1978). "Multiple neurotransmitter synthesis by human neuroblastoma cell lines and clones". Cancer Res. 38 (11 Pt 1): 3751–7. PMID 29704.
- ^ Feles, Sebastian; Overath, Christian; Reichardt, Sina; Diegeler, Sebastian; Schmitz, Claudia; Kronenberg, Jessica; Baumstark-Khan, Christa; Hemmersbach, Ruth; Hellweg, Christine E.; Liemersdorf, Christian (August 2022). "Streamlining Culture Conditions for the Neuroblastoma Cell Line SH-SY5Y: A Prerequisite for Functional Studies". Methods and Protocols. 5 (4): 58. doi:10.3390/mps5040058. PMC 9326679. PMID 35893584.
- ^ La Quaglia Michael P.; Manchester Karen M. (1996). "A comparative analysis of neuroblastic and substrate-adherent human neuroblastoma cell lines". Journal of Pediatric Surgery. 31 (2): 315–318. doi:10.1016/S0022-3468(96)90025-1. PMID 8938368.
- ^ Kulatunga, D. Chanuka M.; Ranaraja, Umanthi; Kim, Eun Young; Kim, Ryoung Eun; Kim, Dong Ern; Ji, Kuk Bin; Kim, Min Kyu (27 May 2024). "A novel APP splice variant-dependent marker system to precisely demarcate maturity in SH-SY5Y cell-derived neurons". Scientific Reports. 14 (1). doi:10.1038/s41598-024-63005-y. PMC 11130256.
- ^ Girardi CS, Rostirolla DC, Lini FJ, Brum PO, Delgado J, Ribeiro CT, Teixeira AA, Peixoto DO, Heimfarth L, Kunzler A, Moreira JC, Gelain DP (2019). "Nuclear RXRα and RXRβ receptors exert distinct and opposite effects on RA-mediated neuroblastoma differentiation". Biochimica et Biophysica Acta (BBA) - Molecular Cell Research. 1866 (3): 317–328. doi:10.1016/j.bbamcr.2018.11.014. PMID 30529222.
- ^ Kunzler A, Zeidán-Chuliá F, Gasparotto J, Girardi CS, Klafke K, Petiz LL, Bortolin RC, Rostirolla DC, Zanotto-Filho A, de Bittencourt Pasquali MA, Dickson P, Dunkley P, Moreira JC, Gelain DP (2017). "Changes in Cell Cycle and Up-Regulation of Neuronal Markers During SH-SY5Y Neurodifferentiation by Retinoic Acid are Mediated by Reactive Species Production and Oxidative Stress". Mol. Neurobiol. 54 (9): 6903–6916. doi:10.1007/s12035-016-0189-4. PMID 27771902. S2CID 3515130.
- ^ Feles, Sebastian; Overath, Christian; Reichardt, Sina; Diegeler, Sebastian; Schmitz, Claudia; Kronenberg, Jessica; Baumstark-Khan, Christa; Hemmersbach, Ruth; Hellweg, Christine E.; Liemersdorf, Christian (12 July 2022). "Streamlining Culture Conditions for the Neuroblastoma Cell Line SH-SY5Y: A Prerequisite for Functional Studies". Methods and Protocols. 5 (4): 58. doi:10.3390/mps5040058. PMC 9326679. PMID 35893584.
- ^ Sakagami, Hiroshi; Suzuki, Ryuichiro; Shirataki, Yoshiaki; Iwama, Soichi; Nakagawa, Mika; Suzuki, Hayato; Tanaka, Kenta; Tamura, Nobuaki; Takeshima, Hiroshi (3 November 2017). "Re-evaluation of Culture Condition of PC12 and SH-SY5Y Cells Based on Growth Rate and Amino Acid Consumption". In Vivo. 31 (6): 1089–1095. doi:10.21873/invivo.11174. PMC 5756636. PMID 29102930.
- ^ Feles, Sebastian; Overath, Christian; Reichardt, Sina; Diegeler, Sebastian; Schmitz, Claudia; Kronenberg, Jessica; Baumstark-Khan, Christa; Hemmersbach, Ruth; Hellweg, Christine E.; Liemersdorf, Christian (12 July 2022). "Streamlining Culture Conditions for the Neuroblastoma Cell Line SH-SY5Y: A Prerequisite for Functional Studies". Methods and Protocols. 5 (4): 58. doi:10.3390/mps5040058. PMC 9326679. PMID 35893584.
External links
- Cellosaurus entry for SH-SY5Y
- ATCC- American Type Culture Collection, a source of SH-SY5Y cells and other biologicials
- ATTC product data for SH-SY5Y cells, catalog CRL-2266
- Sigma Product Page
- Canals, Meritxell; Angulo, Ester; Casado, Vicent; Canela, Enric I.; Mallol, Josefa; Vinals, Francesc; Staines, William; Tinner, Barbro; Agnati, Luigi; Fuxe, Kjell; Ferre, Sergi; Lluis, Carmen; Franco, Rafael; Franco, R (January 2005). "Molecular mechanisms involved in the adenosine A1 and A2A receptor-induced neuronal differentiation in neuroblastoma cells and striatal primary cultures". Journal of Neurochemistry. 92 (2): 337–348. doi:10.1111/j.1471-4159.2004.02856.x. hdl:11380/305972. PMID 15663481. S2CID 2766681.
- Hillion, Joëlle; Canals, Meritxell; Torvinen, Maria; Casadó, Vicent; Scott, Rizaldy; Terasmaa, Anton; Hansson, Anita; Watson, Stanley; Olah, Mark E.; Mallol, Josefa; Canela, Enric I.; Zoli, Michele; Agnati, Luigi F.; Ibáñez, Carlos F.; Lluis, Carme; Franco, Rafael; Ferré, Sergi; Fuxe, Kjell (17 May 2002). "Coaggregation, Cointernalization, and Codesensitization of Adenosine A 2A Receptors and Dopamine D 2 Receptors". Journal of Biological Chemistry. 277 (20): 18091–18097. doi:10.1074/jbc.M107731200. hdl:2445/122309. PMID 11872740.
- Okuda, Katsuhiro; Kotake, Yaichiro; Ohta, Shigeru (2006). "Parkinsonism-Preventing Activity of 1-Methyl-1,2,3,4-tetrahydroisoquinoline Derivatives in C57BL Mouse in Vivo". Biological & Pharmaceutical Bulletin. 29 (7): 1401–1403. doi:10.1248/bpb.29.1401. PMID 16819177.