Simple question: Most computer power supplies are auto-sensing between 110V/120V and 220V/240V. This begs the question, can they use 240V in North America i.e. connected to both hots (red and black)?
4 Answers
Most enthusiast-grade desktop PC supplies handle this condition without issue, actually -- the folks over at SilentPCReview do this to test supply efficiency when running off 220-240VAC. (Although they should use a NEMA 6-15R and a matching IEC cord for the job instead of running 240VAC to a NEMA 5-15R.)
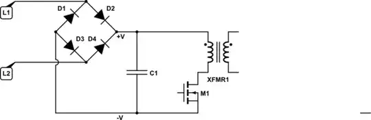
Nearly all computer power supply units (PSUs) are switched mode power supplies (SMPS). The mode of operation is:
- Rectify the mains voltage.
- Charge a high voltage capacitor to mains peak voltage.
- Feed the DC through a ferrite transformer and high-voltage switching transistor.
- Switch the transistor at high frequency. This generates an AC on the primary which gets stepped down in the transformer and appears on the secondary as low voltage AC.
- Regulate the secondary voltage by varying the pulse width on the primary.

The relevance to your question is that neither to positive DC (+V) or negative DC (-V) is connected directly to either L1 or L2 (as it appears in the schematic). In fact the DC rails are leaping around with the AC voltage.
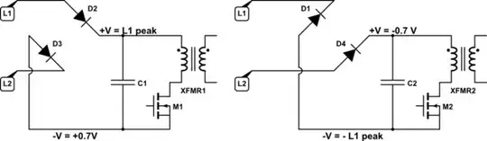
Let's take the simple case where L2 is Neutral and at zero volts.
- When L1 goes positive, current will flow in via D2 and out via D3. -V will, therefore, be 0.7 V above 0.
- When L1 goes negative, current will flow in through D4 and out through D1. +V will, therefore, be 0.7 V below 0.
The net effect is that both +V and -V, while keeping a respectable couple of hundred volts between them, are leaping up and down together with respect to earth / neutral.

Voltages during L1 positive and L1 negative, L2 connected to ground.
Since there is no neutral or ground reference on the high-voltage DC section the power supply should be fine provided:
- You operate within the min and max voltages.
- Neither L1 or L2 exceeds the insulation rating with respect to ground.
Thanks for the explanation, this provides insight but also raises more questions (I don't quite have the background to fully understand it yet). Where does the 0.7 V come from, and is that brought back up to 12 V / 5 V / 3.3 V?
The first part of this question and the schematic deals with the high-voltage DC section of a typical SMPS. The intention of that part is to show that that section will work OK with either Hot - Neutral or Hot - Hot mains connection.
The reference to 0.7 V is the forward voltage drop across the diode when it is conducting. If it helps, you can think of the diode as a non-return valve in a water circuit: it blocks flow in the reverse direction but allows it in the forward direction with a 0.7 V 'pressure drop'. It only affects the high-voltage side and has no effect on the low-voltage DC side.
What isn't shown (other than a hint) is that the transformer isolates the mains from the secondary windings which are low voltage and rectified to produce the various DC voltages required. Typically there is a high current winding, diodes and smoothing capacitors for the 5 V supply (or 3.3 V supply on more modern devices) and separate windings, diodes and capacitors for each of the other voltages required.
Summary: the hot-hot connection does not affect the DC voltages as they are isolated from the supply by the switching transformer.
- 189
The neutral wire needs to be isolated from the ground in UL listed devices. If it was not isolated, then some current could flow through the ground wire. This would cause a GFCI breaker to trip when the devices were plugged into it. The ground wire is there for safety, not normal current usage. Because of the ground-neutral isolation, changing the neutral out for a hot in a three prong plug should not be a problem. You will have to be weary of devices that are not UL listed. (Polarized two prong plugs, however, use the neutral as a kind of ground.)
- 31
These power supplies are usually made to work with power and outlet systems from all over the world. You simply get a specific power cord matching your local outlet system.
But there are outlets which don't distinguish between hot and neutral wire, like this type used in Germany:
This means the power supply has to be prepared to get connected to the hot wire with any of its two terminals. The output side of the supply has to be isolated from the input side. Usually, the output is somehow connected to protective earth.
So, it should be possible to run the power supply with the US 240V system.
But as the power supply was not designed for this, nor anyone really knows what's inside of his power brick, you should not try it!
- 195
